MAN P51739-01
Kit for fuel oil filter upgrade
L28/32S, L23/30S, L23/30H-Mk2, L23/30H, L21/31S, L21/31, L16/24(S), DN25
As per vessel request to upgrade Aux. Engine fuel oil filter according to MAN P51739-01,
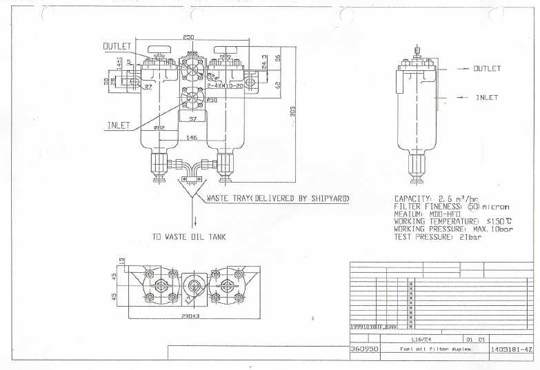
the old type fuel filter fineness 50μm,
inlet and out flange size PCD-50, DN-24, 4*M10, as below photo:



The new filter fineness 25μm, inlet and out flange size PCD-80, DN-25, 4*M10,
the adapter flange 001* was reqquired in MAN upgrade kit:


There is problem that the Minimux face to face distance is 90mm of adapter flange,
that's meaning the vessel have to cut and shorten the initial fuel oil pipe to match the new filter,
if so the adapter flange does make no sense, because vessel can amend the fuel oil pipe to a companion flange then fit to new filter directly, it would be much more convenient.
Finally the vessel accepted our proposal and spares,
we supplied the new type fuel oil filter complete with difference pressure switch,
including companion flange, the new filter is good performance under running.


Copyright ©Shanghai AET Marine Co., Ltd